Microscopy inspection of specimens

About Microscopy

Inspection of specimens

Microscopy is used for the inspection of specimens by using optical or digital magnification in order to enhance the appearance of small features. This is in contrast to macroscopy, which involves inspection of a specimen using the naked eye.

Optical microscopy is used for the inspection at magnifications of up to 1,000 times microstructures. Electron microscopy with magnifications of up to 500,000 times is typically used for failure analysis in R&D labs and in educational institutions.

Types of Microscopy

Four types of microscopy are used in materialographic testing, depending on the nature of the workpiece and the object of investigation, and they are described below.

Optical Microscopy
In optical microscopy different filters are used to improve contrast and emphasize specific features based on material properties. This can be achieved with magnifications typically ranging from 2.5 times up to 1,000 times. In materialography, reflected light is the most commonly used type of light optical microscopy. Transmitted optical microscopy is also used, but mainly for mineralogy specimens.

Stereo Optical Microscopy
The stereo microscope is an optical microscope variant, designed for low magnification observation of a specimen, using the light reflected from the specimen surface.

Scanning Electron Microscopy
A scanning electron microscope (SEM) is a type of electron microscope that produces images of a specimen by scanning the specimen surface with a focused beam of electrons. The electrons interact with the atoms in the specimen, producing various signals that can be translated into information about the surface topography and the composition of the specimen.

Transmission Electron Microscopy
Transmission electron microscopy (TEM) uses a beam of electrons transmitted through an ultra-thin specimen and that interacts with the specimen as it passes through it. Generated signals can be translated into various types of information, including information on the type and orientation of individual crystals.

How to Do Light Optical Microscopy

Light optical microscopy specimen preparation

1. Specimen Preparation

The surface condition of the specimen will affect the light during reflection or transmission. The acceptable level of this effect is defined by the type and size of feature relevant for the examination.

Correct specimen preparation is essential to achieve the required surface quality and contrast.

Light optical microscopy light source

2. Light Source

The image of the surface is based on the interaction between light and the surface. Different light sources such as LED, halogen, or mercury, along with different illumination types, such as coaxial, ring light, or point light will cover a broad variety of surfaces to be inspected in terms of surface characteristics, e.g. roughness, color, and alignment.

Correct illumination is essential for investigating complex topography.

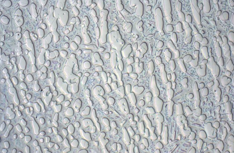
3. Filters

Brightfield (BF) contrast is the most common contrasting technique. Only details with a difference in reflectivity will be distinguished from each other.

Contrasting techniques like DarkField (DF), Differential Interference Contrast (DIC), and Polarized Light (POL) make it possible to observe details which differ from those seen in BF.

The choice of filters in optical microscopy depends on the nature of the surface and the characteristics and details to be investigated.
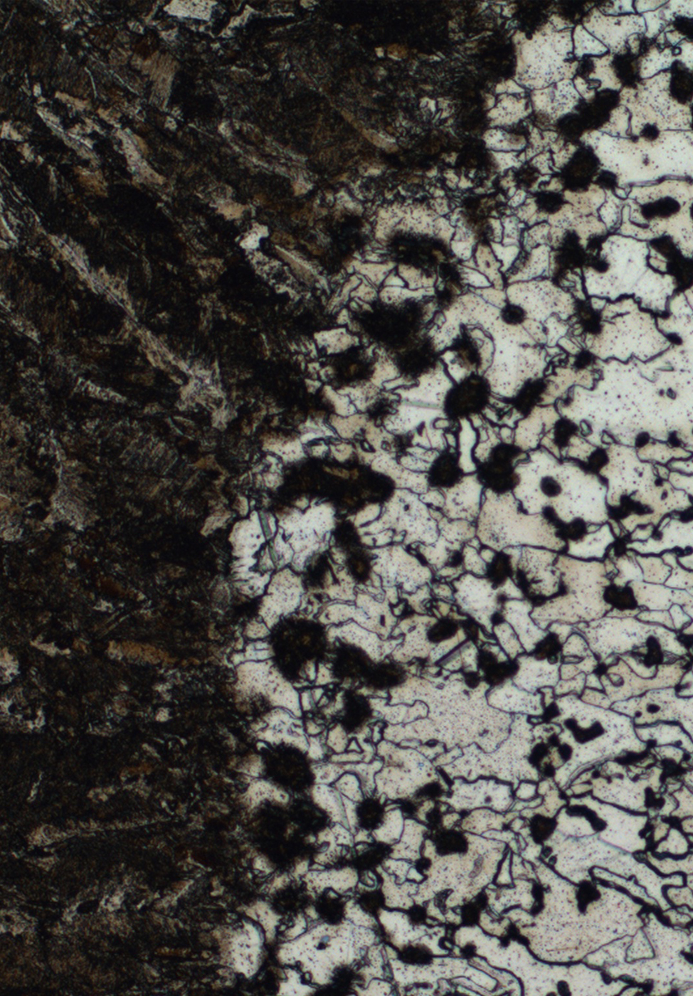
Contrasting technique Darkfield plastic layers

DarkField - Plastic layers

Plastic layers in different colors which can be seen in their original colours in DarkField.

Microscopy DarkField Semi Opaque phases

DarkField - Quality of a polish

Fine scratches, pores, and pullouts can be distinguished better in DF than in BF. Irregularities like pores or cracks reflect the light into the lens while all the well-polished areas are dark. This technique permits easy differentiation of pores and inclusions, very fine crack propagation, and evaluation of polish quality.

Microscopy DarkField Semi Opaque phases

DarkField - semi-opaque phases

Semi-opaque phases can be identified by their inherent color; for example, copper oxide inclusions (Cu2O) which are grey in the Brightfield, but can be determined in copper matrix by their garnet-red color in Darkfield.

Microscopy Polarized light

Polarized Light

Is used:
- For contrasting the structure of optical anisotropic metals which are difficult to etch, such as some titanium and tin alloys, beryllium, or uranium.
- To identify many intermetallic compounds and slag inclusions by their characteristic anisotropic effects.
- To differentiate between optical anisotropic phases and optical isotropic phases.
- To examine optical isotropic metals if their surface can be rendered optically active by etching (e.g., anodizing).

Microscopy Differential Interference Contrast

Differential Interference Contrast

Using DIC relief is made visible and, for example, special types of intermetallic phases can be detected by referring to their morphology.

Microscopy Fluorescence

Florescence

The parts of the specimen that are not fluorescent remain dark, and it is easy to see the cracks or pores, for example, by using fluorescent dye in the mounting material.

4. Image acquisition

In addition to the above, capturing the true microstructure depends on factors which are important during image acquisition. The two most predominant factors are exposure and white balance.

Application specialists

The fast track to expert knowledge

Contact us!

icon-arrow